Powering the Bike
Engine, Torque Convertor, and Power
include "/srv/www/www.diygokarts.com/top-ads.html"; ?>Your power plant need not be enormous to have powerful fun with your mini bike. The secret is in using a torque convertor, also known as a variable speed transmission.
Torque Convertor and Engine
When you're using a torque convertor, you'll need less horsepower than you'd need with just a simple clutch. More information can be found in the links to the parts pages. Suffice it to say that with the convertor you'll have a fast top end, and automatic downshifting to conquer hills.
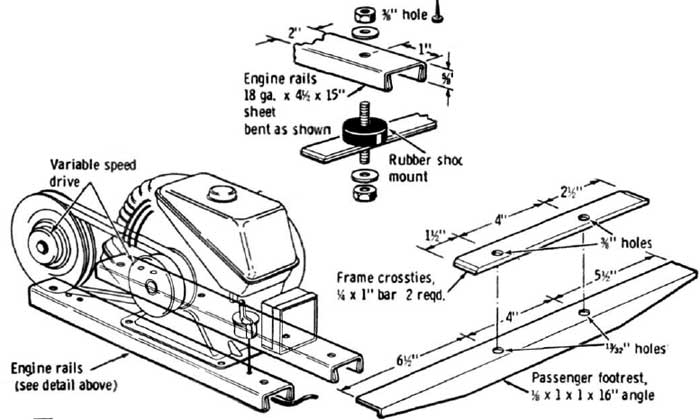
Engine Support
The engine-support rails are formed from 18 gauge sheet metal as shown in fig. 2. You can either make these by hand, or you may order engine plates from a supplier, and use pre-made "C" channel material for the other parts.
Drill 3/8" holes at the ends of the rails to match the holes in the crossties. Do this after the frame has been welded to insure precise positioning. The rails are mounted on 3/4" thick rubber pads that serve to cushion engine vibration. These are optional.
Jackshaft Support
The two jackshaft supports are each made from one piece of 1/8x1.5x1.5" angle welded together as shown in the detail drawings. Note that the two sizes of angle are joined to form a channel for the right-hand support and to form a "Z" shape for the left-hand support. The "Z" shaped left support also requires a 1/8x3/4" wide extension welded to the base.
The two jackshaft supports are positioned flush with the rear ends of the engine rails. The rearmost holes in their flanges fit over the same shock-mount bolts that hold the engine rails to the crossties. The remaining holes are for short bolts directly through the rails. The jackshaft is held in two 3/4" bore pillow blocks bolted to the supports.
For ease or speed, this entire assembly can also be purchased from a parts house.
Brake
A 3/8" bolt welded into the jackshaft support forms a stud to anchor the brake band. The back loop is held on with a cotter pin and washer. You'll find the right adjustment and secure the cable to the frame with zip ties. Fig. 5 shows some cable mounting methods with thumbscrews.
Engine
The engine uses a bolt-on v-belt torque convertor. The drive then runs to the jackshaft, and then to the drive sprocket.





