Off Road Mini Bike Frame
Off Road Beast for Hunting
include "/srv/www/www.diygokarts.com/top-ads.html"; ?>Since you're building this bike from scratch, you needn't follow the dimensions exactly as given in the plans. The plans show a basic machine, demonstrating how simply a rugged scooter can be made. If you want to get fancy, you can!
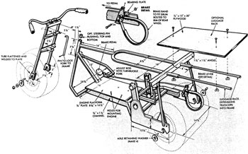
We suggest framing the mini bike from 1" tubing. You could certainly use common 3/4-in. pipe if you were so inclined. If you don't have a tube bender, you could join straight lengths with angle iron. But make sure the joints are reinforced since the frame will suffer severe stresses from jolting over rough terrain.
Formed channel or a custom solution is needed for the frame base and transmission rack and steel plate for the engine deck. For the axles, we don't recommend threaded axles if you intend use on rocky terrain by scraping past stones. Instead they can be retained with cotter pins and washers.
The uprights of the front fork section are also 1-in. furniture tubing or 3/4-in. pipe. The cross members, including the two pivot brackets, are angle iron. These are spaced so that the frame's steering column will seat snugly between them. The lock pin is then dropped through. This pin is 5/8-in.-dia. rod, with an L of 1/4-in. rod welded at the top. This hooks over the upper pivot bracket to keep the pin from dropping through to the ground. It also provides a handle to facilitate withdrawal, once the cotter pin at the opposite end has been removed. Unless you can lap this pin into the frame column for a snug fit, it should ride within bushings pressed into both ends of the column pipe. In the model shown, 5/8-in. I.D. bushings were used.


