Making Your Go Kart Spindles
How to Build a Go Kart Steering System
include "/srv/www/www.diygokarts.com/top-ads.html"; ?>Note that all these parts are readily available for purchase instead of fabrication.
We'll assume you understand the components. If not, read up on go kart steering parts.
Overview
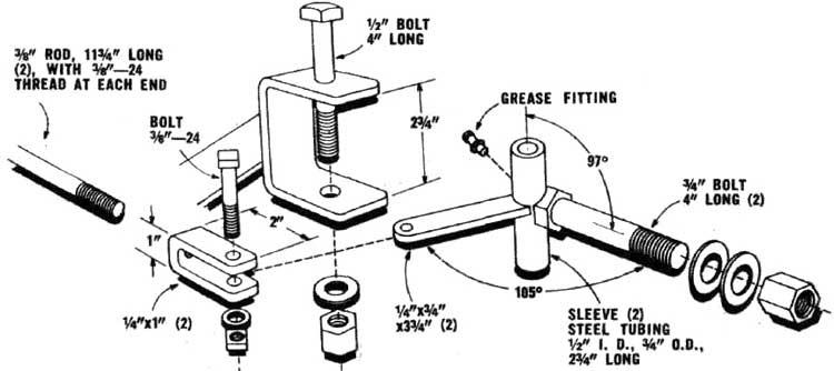
The spindle is the pivoting front axle for the go kart. They connect to the steering system at the tie rod. See Fig. 1.
Brackets
First you'll fabricate the spindle brack. Use 1/4" x 1.5" flat stock to make the bracket 3"h x 2" w. The brackets must be perfectly square.
You can see from Fig. 2 that heating and bending (the first two) doesn't work very well. We suggest cutting and welding (third bracket). These welds are critical. When they're perfect, weld them to your frame.
The Fig. 1 shows there should be 7 degrees tilt out at the bottom of the spindle, and 7 degrees rear facing of the spindles (camber and caster).
It's not critical, but it will allow you to turn faster. Note that we didn't use the 7 degree pitch when building our assembly.
Spindle Axle
Now measure your spindle bracket inner size. Using a pair of digital calipers is almost a necessity — however you can make a rough cut and then grind until it fits.
Using your precise measurement, cut a length of 3/4" OD thick wall (.120) tubing. This tubing has an ID of .510", so no bushings are needed for a tight fit.
Now prep the axle bolts. Grind down a straight notch in each. This will help you align them better and to get a better weld. At right is a notched bolt and the finished product.
Assemble the Spindle
Using the calipers again, find the center of the brackets. Use a metal scribe to mark the x and y axis, then drill out where they intersect. Do this for the top and the bottom of the brackets, as your hand drill will not drill square from top to bottom.
Start with a small bit and increase to a larger bit until you reach 1/2".
Assemble the tubing/axle into the bracket with a 1/2" x 4" bolt. Use Locktite or locking pins.
You could add a grease fitting, or just disassemble periodically and grease them. Harbor Freight sells grease fitting packs cheap.
After the spindle axle is assembled to the bracket, weld on the spindle arm at 105 degrees from the axle, according to the Fig. 1.
Cut the 3/4" x 1/4" material in the chop saw at 15 degrees for an easier alignment, but use an angle finder to be sure.









